This website requires JavaScript.
Explore
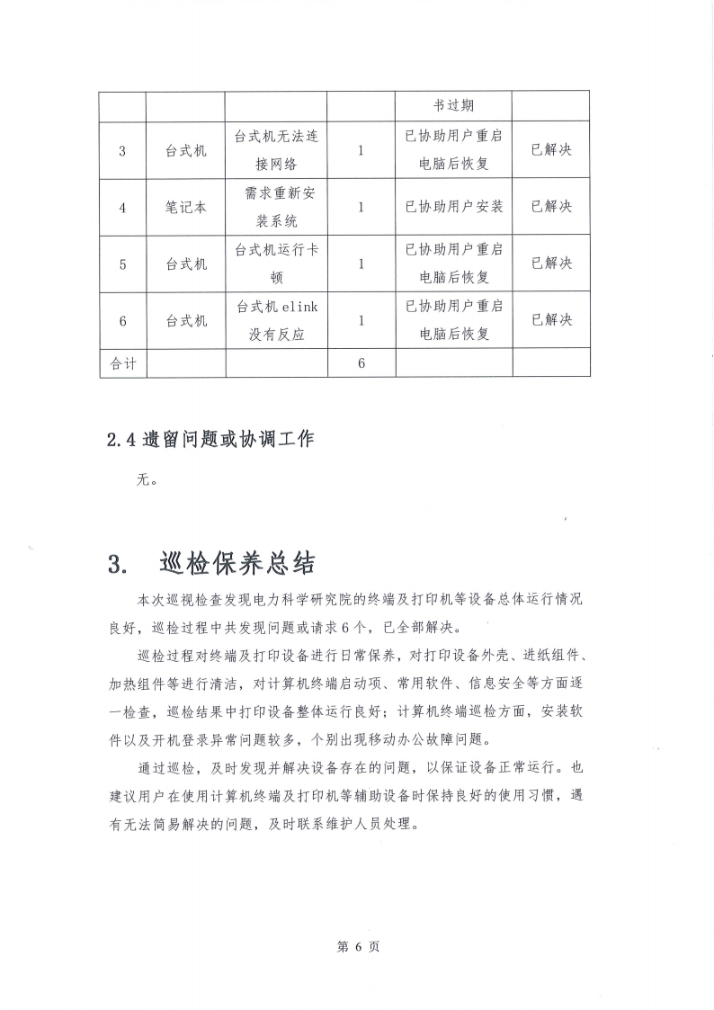
Help
Register
Sign In
yanlian
/
nwjh
Watch
1
Star
0
Fork
0
You've already forked nwjh
Code
Issues
Pull Requests
Actions
Packages
Projects
Releases
Wiki
Activity
nwjh
/
Classify
/
images
/
其他
/
2024(8)保养_07.png
XLZ
5350a69ae9
upload code
2025-03-24 09:27:03 +08:00
306 KiB
794x1123px
Raw
History