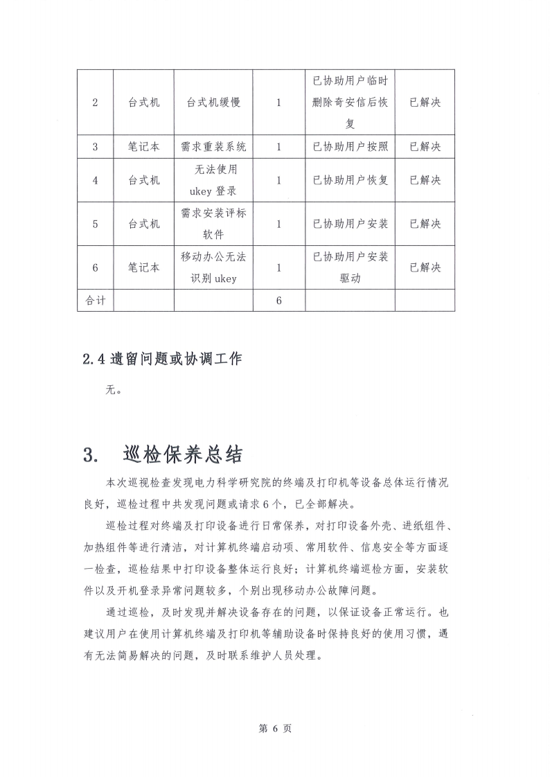
nwjh/Classify/images/其他/2024(6)保养_07.png
2025-03-24 09:27:03 +08:00

312 KiB
794x1123px